Panel operatorski FANUC I PENDANT A05B-2518-C302#EGN
Sprzedam używany panel operatora firmy FANUC.
FANUC I PENDANT jest ręcznym urządzeniem sterującym.
Urządzenie służy do komunikacji pomiędzy robotem, a jego programistą lub operatorem i jest niezbędny do wykonywania wielu zadań związanych z obsługą systemu robota.
Dzięki niemu można sprawnie programować robota oraz odczytywać ważne informacje o stanie systemu, jak na przykład tryb pracy, włączenie/wyłączenie silników, stan programu.
Na panelu wyświetlane są również komunikaty o konieczności podjęcia działań przez operatora, wskazówki oraz informacje o wystąpieniu błędów.
Panel jest kompletny i sprawny techniczne, wyświetlacz jasno świeci, a panel nie ma większych rys i zadrapań.
Model: A05b-2518-C302#EGN
Cena: 6000 zł netto
KEBA SX TPU 2 16/64 3HAC023195-001 /04 Robot Teach Pendant
Sprzedam używany panel operatora firmy KEBA model SX TPU 2 16/64 3HAC023195-001 /04
Cena: 8000 zł netto
Chwytak do Worków wraz z przenośnikiem rolkowym
Chwytak do pojedynczych worków wraz z przenośnikiem rolkowym.
Chwytak może być obsługiwany zarówno przez roboty przemysłowo 4 jaki i 6 osiowe.
Chwytak wyposażony jest w dwa ramiona o zmiennej szerokości chwytu oraz pneumatyczny docisk, dzięki któremu możliwe jest uformowanie worka przed jego ułożeniu na palecie.
Zasilanie pneumatyczne 6 bar. Waga 45kg.
Wymiary długość 100cm, szerokość 73cm, wysokość 48,5cm.
Przenośnik rolkowy wyposażony w napęd łańcuchowy, to prosta niezawodna konstrukcja, rozstaw rolek dopasowany do ramion chwytaka.
Waga 150kg.
Wymiary długość 120cm, szerokość 102,5cm wysokość 60cm.
W ofercie posiadamy także inne chwytaki do worków oraz chwytaki do kartonów. Dla osób zainteresowanych stworzeniem całe stanowiska do paletyzacji możemy zaproponować także używane roboty przemysłowe firmy KUKA lub ABB o udźwigach od 6 do 150kg.
Cena: 35000 zł netto
Chwytak do kartonów wraz z przenośnikiem rolkowym
Chwytak do kartonów wraz z przenośnikiem rolkowym.
Chwytak może być obsługiwany zarówno przez roboty przemysłowo 4 jaki i 6 osiowe.
Chwytak wyposażony jest w dwa ramiona o zmiennej szerokości chwytu oraz pneumatyczny docisk, dzięki któremu możliwe jest uformowanie worka przed jego ułożeniu na palecie.
Zasilanie pneumatyczne 6 bar. Waga 45kg.
Wymiary długość 100cm, szerokość 61cm, wysokość 51,5cm.
Przenośnik rolkowy wyposażony w napęd łańcuchowy, to prosta niezawodna konstrukcja, rozstaw rolek dopasowany do ramion chwytaka.
Waga 150kg.
Wymiary długość 120cm, szerokość 102,5cm wysokość 60cm.
W ofercie posiadamy także inne chwytaki do worków oraz chwytaki do kartonów. Dla osób zainteresowanych stworzeniem całe stanowiska do paletyzacji możemy zaproponować także używane roboty przemysłowe firmy KUKA lub ABB o udźwigach od 6 do 150kg.
Cena: 27500 zł netto
Chwytak do kartonów wraz z przenośnikiem rolkowym
Chwytak do kartonów wraz z przenośnikiem rolkowym.
Chwytak może być obsługiwany zarówno przez roboty przemysłowo 4 jaki i 6 osiowe.
Chwytak wyposażony jest w dwa ramiona o zmiennej szerokości chwytu oraz pneumatyczny docisk, dzięki któremu możliwe jest uformowanie worka przed jego ułożeniu na palecie.
Zasilanie pneumatyczne 6 bar. Waga 45kg.
Wymiary długość 90cm, szerokość 51cm, wysokość 51,5cm.
Przenośnik rolkowy wyposażony w napęd łańcuchowy, to prosta niezawodna konstrukcja, rozstaw rolek dopasowany do ramion chwytaka.
Waga 150kg.
Wymiary długość 120cm, szerokość 102,5cm wysokość 60cm.
W ofercie posiadamy także inne chwytaki do worków oraz chwytaki do kartonów. Dla osób zainteresowanych stworzeniem całe stanowiska do paletyzacji możemy zaproponować także używane roboty przemysłowe firmy KUKA lub ABB o udźwigach od 6 do 150kg.
Cena: 27500 zł netto
Chwytak pneumatyczny do blach szyb desek robot Kuka
Używany w pełni sprawny i kompletny chwytak do blach, szyb, desek itp. Wymiary 130x80cm. Chwytak wyposażony w niezbędne akcesoria pneumatyczne, eżektor, elektrozawory, ssawki, czujniki. Chwytak zamontowany był na robocie Kuka o udźwigu 60kg.
Cena: 10000 zł netto
Zestaw do formowania i przewracania worków
Zespół przenośników rolkowych i taśmowych wraz z przewrotnikiem worków. Gotowy zestaw do przewracania worków oraz ich formowania przed ułożeniem na palecie. Niski przenośnik rolkowy łączymy z przenośnikiem taśmowym z wago-workownicy. Zaszyty lub zgrzany worek jest przewracany szwem do tyłu, a następnie transportowany na przenośnik z rolkami kwadratowymi, gdzie po uformowaniu trafia na stół podawczy i paletę euro.
Cena: 35000 netto
SKS Welding Systems Zestaw Spawalniczy na robota
Używany zestaw spawalniczy wraz modułem komunikacyjnym montowany na ramieniu robota firmy SKS.
W skład zestawu wchodzi:
– palnik spawalniczy Power Joint z czujnikiem kolizyjnym i przewodem
– podajnik drutu Power Feeder PF5 wraz z przewodami
– moduł komunikacyjny Feldbus 5 wraz przewodami
Cena: 6500 netto
SKS 10-2-9 PF5 Power Feeder Podajnik drutu Welding Systems
Sprzedam używany podajnik drutu firmy SKS model PF5. Podajnik montowany jest bezpośrednio na robocie spawającym.
Dane produktu:
MANUFACTURER SKS
MODEL PF5
CATEGORY Tool feeders
WEIGHT [KG] 4.4
HEIGHT [CM] 20.0
LENGHT [CM] 28.0
WIDTH [CM] 14.0
Cena: 2000 netto
SKS 58-1-22 Power Joint POWER CABLE Welding Systems
Używany palnik spawalniczy wraz czujnikiem kolizyjnym i przewodem firmy SKS model 58-1-22.
Cena: 2500 netto
SKS FELDBUS 5 Interface Welding Systems
Używany interfejs komunikacyjny firmy SKS model FELDBUS 5.
Dane techniczne:
MANUFACTURER SKS WELDING SYSTEMS
MODEL FELDBUS5
CATEGORY Other CNC
WEIGHT [KG] 1.0
HEIGHT [CM] 6.0
LENGHT [CM] 22.0
WIDTH [CM] 13.0
Cena: 2500 netto
Rolki do przenośników rolkowych przenośnik do palet worków kartonów
W stałej sprzedaży posiadamy rolki okrągłe oraz kwadratowe do przenośników palet, kartanów oraz worków.
Oferta dotyczy rolki okrągłej do przenośników paletowych o udźwigu palety do 1500kg.
Rolka o długości całkowitej 1549mm
Szerokość rolki 76mm
Cena: 325 netto
Rolki kwadratowe do przenośników rolkowych, rozwibrowywanie worków.
W stałej sprzedaży posiadamy rolki okrągłe oraz kwadratowe do przenośników palet, kartanów oraz worków.
Oferta dotyczy rolki kwadratowej do przenośników rolkowych wykorzystywanych w rozwibrowywaniu worków.
Rolka o długości całkowitej 864mm
Szerokość rolki 60x60mm
Cena: 285 netto
SICK C4000 E Kurtyna optyczna bezpieczeństwa zasięg 6m wysokość 0,9m
Kurtyna optyczna bezpieczeństwa firmy SICK model C4000E.
Nadajnik C40S-0903AA030
Odbiornik C40E-0903AH030
Kurtyna świetlna bezpieczeństwa
– zasilanie 24 VDC
– wysokość pola ochronnego 900 MM
– rozdzielczość 30 MM
– zakres skanowania 6 M
– złącze M12 5-PIN
– zakres temperatur pracy -25 DO +70 STOPNI C
– norma IP65
Kurtyna jest używana, ale sprawna technicznie i działająca.
Cena: 2500 zł netto
Panel Siemens Sinumerik 6FC5403-0AA10-0AA0
Sprzedam używany panel operatora firmy Siemens model Sinumerik 6FC5403-0AA10-0AA0.
Cena: 5000 zł netto
Panel Siemens Sinumerik 6FC5403-0AA20-0AA0 HT8
Sprzedam używany panel operatora firmy Siemens model Sinumerik HT8 6FC5403-0AA20-0AA0
Cena: 4500 zł netto
6AV6645-0AB01-0AX0 SIEMENS SIMATIC 177 DP Mobilny panel operatorski
Sprzedam używany Mobilny panel operatorski 6AV6645-0AB01-0AX0 SIEMENS SIMATIC 177 DP.
Cena: 7000 zł netto
Panel Siemens SIMATIC MP370 6AV6545-0DA10-0AX0
SIMATIC MULTIPANEL MP370, 12″, kolorowy wyświetlacz TFT, dotykowy; Windows CE 3.0; konfigurowalny z ProTool
Cena: 3500 zł netto
Panel Siemens SIMATIC HMI Multi Panel MP370 6AV6545-0DB10-0AX0
SIEMENS SIMATIC MULTIPANEL MP370, 15″, kolorowy wyświetlacz TFT, dotykowy; Windows CE 3.0; konfigurowalny z ProTool
Cena: 7500 zł netto
KEBA HT501 - 231 / WOLLINC2 / 25330 24VDC 0.4A Panel operatora
Sprzedam używany panel operatora firmy KEBA model HT501-231/WOLLINC2/25330
Cena: 5000 zł netto
Automat do wkręcania śrub Weber Schraubautomaten GmbH
Sprzedam używany automat do wkręcania śrub renomowanej niemieckiej firmy WEBER Schraubautomaten GmbH. Urządzenie jest sprawne technicznie, zdemontowane z robota KUKA SCARA.
Cena: 5000 zł netto
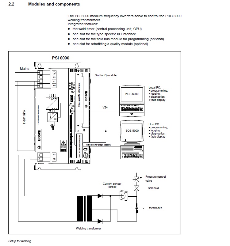
Bosch REXROTH PSI6000 inwerter częstotliwości zgrzewanie spawanie KUKA
Przetwornica częstotliwości inverter firmy Bosch typ Rexroth model PSI6000. Urządzenie wykorzystywanie w procesach zgrzewania i spawania. Urządzenie współpracowało z robotem przemysłowym Kuka seria 2000 sterowanie KR C2 ed05. Urządzenie sprawne techniczne.
Cena: 8000 zł netto
HARMS + WENDE HW2000 HWI2808L IQR5331 Inverter
Sprzedam używany falownik HWI 2808L EVA-IQR Inverter wykorzystywany w procesach zgrzewania punktowego.
Standardowy zakres funkcji:
Inwerter EVA HWI 28xx
• 64 programy
• 64 grupy liczników
• 2 wejścia startowe
• Licznik punktów i licznik frezowania
• Sterowanie adaptacyjne IQR
• Sterowanie stałoprądowe (KSR)
• Cyfrowe wejścia/wyjścia 24 V
• Interfejs sieciowy RS 422
• Interfejs lokalnego operatora RS 232
• Połączenie I/O przez Profibus DP
Sterowanie i programowanie:
• Oprogramowanie operatora Pegasus.
Cena: 7000 zł netto
Siemens 6AV6671-5AE01-0AX0 Simatic HMI
Sprzedam używaną skrzynkę przyłączeniową PLC 6AV6671-5AE01-0AX0 Siemens Simatic HMI
